产品展厅
搜索
公司首页
公司介绍
公司动态
产品展厅
证书荣誉
联系方式
在线留言
首页
>
产品展厅
>
合成材料中间体
> 乙二酸亚锡 锡含量57% 酯化反...
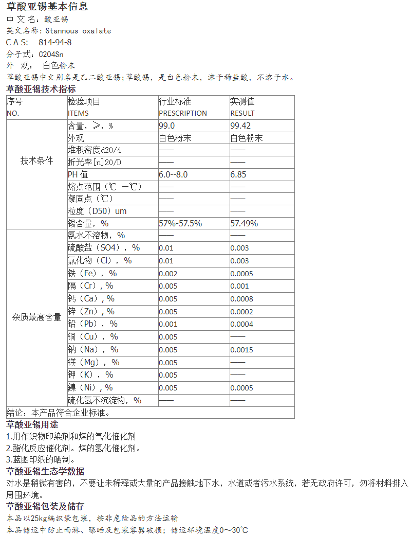
乙二酸亚锡 锡含量57% 酯化反应催化剂 电镀合金镀锡 冶金还原剂 cas814-94-8
2024-08-16
产品详情
产地
湖北武汉
Cas:
814-94-8
产品名称
乙二酸亚锡 锡含量57% 酯化反应催化剂 电镀合金镀锡 冶金还原剂 cas814-94-8
查看相似产品 >
简介
工业级草酸亚锡
(化学式:SnC₂O₄,CAS号:814-94-8)是一种重要的无机锡化合物,具有多种工业应用。根据 公开资料,其主要用途可归纳如下:
主要工业用途
催化剂领域
酯化反应催化剂
:用于聚对苯二甲酸丙二醇酯(PTT)等聚酯合成,提升反应效率与产物纯度。
煤的氢化催化剂
:在煤化工中促进煤转化为清洁燃料或化工原料。
聚氨酯凝胶催化剂
:加速凝胶形成,优化产品性能。
冶金催化剂
:提高冶金过程效率与产品质量。
电镀工业
作为
电镀液添加剂
,在金属表面形成
均匀、致密、耐腐蚀
的镀层,常用于锡镀或合金电镀。
印染与纺织
用作
织物印染剂
,增强染料附着力与分布均匀性。
特殊应用
蓝图印纸的晒制
:作为感光材料组分。
还原剂
:在有机合成中还原硝基、羰基等官能团,或用于湿法冶金中还原高价金属离子(如Cr(VI)→Cr(III))。
前驱体材料
:用于制备锡基氧化物薄膜、陶瓷或电子功能材料。
...
联系我们
武汉吉业升化工有限公司
联系人
曾经理
联系手机
13349972642
联系电话
13349972642
所在地址
武汉市黄陂区盘龙城经济开发区
推荐产品
无水氟化钾 含量99% 焊接助熔剂 玻璃雕刻 防腐蚀处理 cas7789-23-3
一氧化铅 纯度99.5% 冶金助熔剂 油漆催干剂 橡胶着色剂 cas1317-36-8
氧化锆 纯度99.5% 压电陶瓷制品 光学玻璃 耐火材料 cas1314-23-4
内蒙瑞达泰丰氢氧化钾 片状90% 电镀印染 污水处理 金属清洗 cas1310-58-3
在线留言
拨打电话